咨询详情
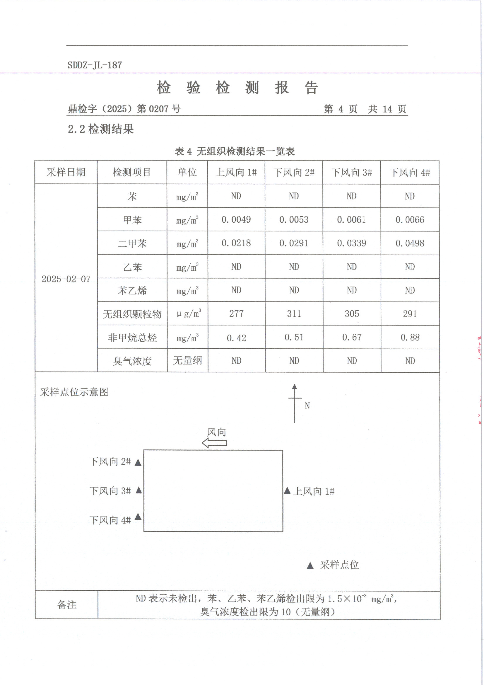
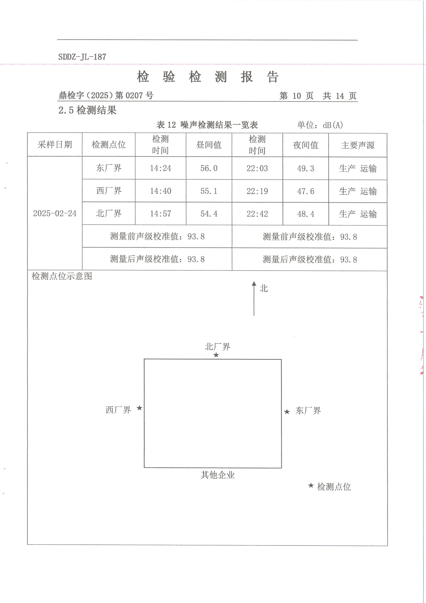
情形空气和废气/噪声3月7日检测报告
宣布时间:
2025-05-16 15:15
















检测报告
联系旺财28
地点:山东省曹县昆仑山路北段路西
海内销售部:0530-3232888
国际商业部:0530-3231972 3231586
国际商业部邮箱:sanli@sanlityre.com
售后服务部:0530-3232666
版权所有 © 山东省三力轮胎制造有限公司 网站建设:中企跨境
鲁公网安备 37172102000220
营业执照